NZVRS Circuits & Information Service

The following circuits and information files are available for members download.

<<<<< Back to NZVRS Homepage

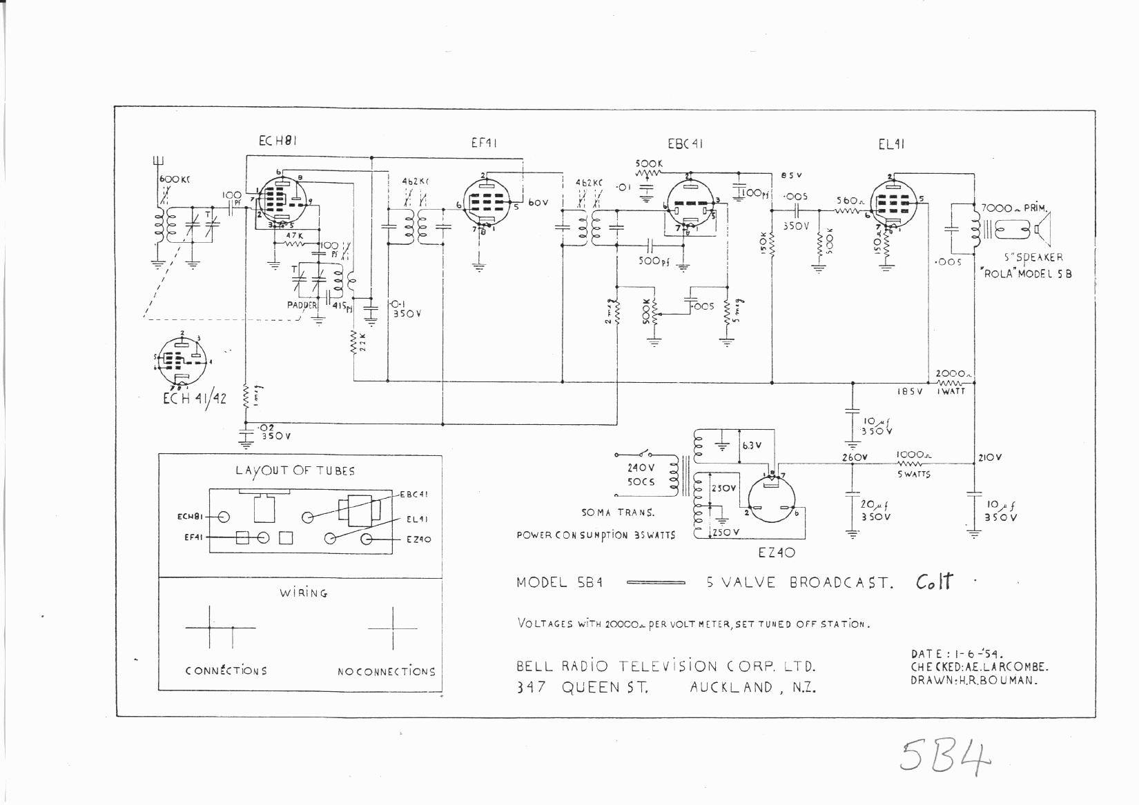
Bell Colt

Model 5B4 circuit – 1954

Model 5B60 circuit – 1960

Model 5B61 circuit – 1961

 

Columbus Radio

Columbus 90 circuit

Columbus 90 info